倍压整流电路

倍压整流电路

目录导航

倍压整流

在一些需用高电压、小电流的地方,常常使用倍压整流电路。倍压整流,可以把较低的交流电压,用耐压较高的整流二极管和电容器,“整”出一个较高的直流电压。倍压整流电路一般按输出电压是输入电压的多少倍,分为二倍压、三倍压与多倍压整流电路。

工作原理

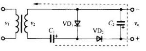
倍压整流是利用二极管的整流和导引作用,将电压分别贮存到各自的电容上,然后把它们按极性相加的原理串接起来,输出高于输入电压的高压来。图2是一个2倍压整流电路。

右图中R1、R2为限流电阻,RL为负载的折算值。首先在第一半周E2经V1对C1充电至E2的峰值E2m,第二半周C1上的电压和电源电压相加经V2对C2充电至2E2m。当然开始几个周期电容上的电压并不能真正充到这样高,但经过几个周期以后,C2上的电压渐渐能稳定在2E2m左右,这就是2倍压整流的原理。

二倍压

电路由变压器B、两个整流 二极管D1、D2及两个电容器C1、C2组成。其工作原理如下:二倍压整流电路e2正半周(上正下负)时,二极管D1导通,D2截止,电流经过D1对C1充电,将电容C1上的电压充到接近e2的峰值√2E2 ,并基本保持不变。e2为负半周(上负下正)时,二极管D2导通,D1截止。此时,C1上的电压Uc1=√2E2与电源电压e2串联相加,电流经D2对电容C2充电,充电电压Uc2=e2峰值+1.4E2≈ 2√2E2。如此反复充电,C2上的电压就基本上是2√2E2 了。它的值是变压器电级电压的二倍,所以叫做二倍压整流电路。

在实际电路中,负载上的电压Usc=2X1.4E2 。整流二极管D1和D2所承受的最高反向电压均为Usc 。电容器上的直流电压Uc1=E2 ,Uc2=2E2 。可以据此设计电路和选择元件。

三倍压

在二倍压整流电路的基础上,再加一个整流二极管D3和-个滤波电容器C3,就可以组成三倍压整流电路,三倍压整流电路的工作原理是:在e2的第一个半周和第二个半周与二倍压整流电路相同,即C1上的电压被充电到接近√2E2 ,C2上的电压被充电到接近2√2E2 。当第三个半周时,D1、D3导通,D2截止,电流除经D1给C1充电外,又经D3给C3充电, C3上的充电电压Uc3=e2峰值+Uc2一Uc1≈2√2E2 这样,在RFZ,上就可以输出直流电压Usc=Uc1i+Uc3≈3√2E2,实现三倍压整流。三倍压整流电路在实际电路中,负载上的电压Ufz≈3x1.4E2整流二极管D3所承妥的最高反向电压也是 电容器上的直流电压为3√2 E2。

照这样办法,增加多个二极管和相同数量的电容器,既可以组成多倍压整流电路,见图三倍压整流电路。当n为奇数时,输出电压从上端取出:当n为偶数时,输出电压从下端取出。

必须说明,倍压整流电路只能在负载较轻(即Rfz较大。输出电流较小)的情况下工作,否则输出电压会降低。倍压越高的整流电路,这种因负载电流增大影响输出电压下降的情况越明显。

用于倍压整流电路的二极管,其最高反向电压应大于 。可用高压硅整流堆,其系列型号为2DL。如2DL2/0.2,表示最高反向电压为2千伏,整流电流平均值为200毫安。倍压整流电路使用的电容器容量比较小,不用电解电容器。电容器的耐压值要大于1.5x ,在使用上才安全可靠。

相关百科
返回顶部
产品求购 求购