电气制动

电气制动

中文名 电气制动
简介 电机的一种制动方式
目录导航

反接制动

反接制动是通过改变电机定子绕组的电源相序,产生一个与电机实际转向相反的电磁力矩(制动力矩),使电机迅速的制动方式。

反接制动优点是制动力强,制动迅速。缺点是制动准确性差,制动过程中冲击力强烈,易损坏传动部件。因此适用于制动要求迅速、系统惯性较大,不经常启动与制动的设备,如铣床、镗床、中型车床等主轴的制动控制。[1]

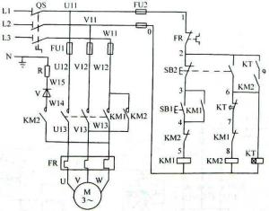
单向反接制动电路图单向反接制动电路图

单向启动时:[1]

先合上电源开关QS

按下启动按钮SB1,接触器KM1线圈得电,其主触点和自锁触点闭合,电机M启动运行。当电机M转速上升一定值时,速度继电器KS常开触点闭合,为反接制动做准备

反接制动停车时:[1]

按下停止按钮SB2,SB2的常闭触点先断开,接触器KM1线圈失电,主触点断开,电机M断电惯性运行;同时SB2常开触点闭合,接触器KM2线圈得电,其主触点闭合,电机M串接限流电阻R反接制动

当电机M转速降到100r/min以下时,速度继电器KS常开触点断开,接触器KM2线圈失电,其主触点断开,反接制动结束

由于反接制动时,旋转磁场的相对转速很高(n1+n2),感应电动势很大,所以转子的电流比直接启动的电流还大(一般为额定电流的10倍)故需要在主电路中串接限流电阻。电动机定子绕组正常工作时的相电压是220V,反接制动限流电阻计算公式如下:[2]

式中:

Iq——电动机全压启动电流(A)[2]

R——限流电阻阻值(Ω)[2]

注:若只在主电路两相中串联电阻,则阻值应取上述值的1.5倍,当电动机容量较小时,也可不串接限流电阻。[2]

能耗制动

能耗制动是当电机切断交流电源后,立即在定子绕组任意两相中通入直流电。迫使电机迅速停车的方法。又名动能制动。

能耗制动的特点是制动平稳、准确、能耗低,缺点是但需配备直流电源,制动力较弱。因此适用于要求制动准确、平稳的场合,如磨床、立式铣床等[1]

无变压器的单相半波整流能耗制动电路图无变压器的单相半波整流能耗制动电路图

单向启动时:[1]

先合上电源开关QS

按下启动按钮SB1,接触器KM1线圈得电,其主触点和自锁触点闭合,电机M启动运行。

有变压器的单相桥式整流能耗制动电路图有变压器的单相桥式整流能耗制动电路图

停车时:[1]

按下停止按钮SB2,SB2的常闭触点先断开,接触器KM1线圈失电,主触点断开,电机M断电惯性运行;同时SB2常开触点闭合,接触器KM2线圈和时间继电器KT得电,其主触点闭合,电机M开始接入直流电开始能耗制动

KT延时时间到,其常闭触点断开,接触器KM2线圈失电,其主触点断开,能耗制动结束

电容制动

当电机切断交流电源后,立即在定子绕组出线端中接入电容器。迫使电机迅速停车的方法。电容制动是一种制动迅速、能量损耗小、设备简单的制动方法,适用于10KW的小容量电机,有机械摩擦和阻尼的生产机械和需要多台电机同时制动的场所。[1]

电容制动电路图电容制动电路图

当旋转着的电动机断开电源时,转子内仍有剩磁,转子具有惯性仍然继续转动,相当于在转子周围形成一个转子旋转磁场。这个磁场切割定子绕组,在定子绕组中产生感应电动势,通过电容器组成闭合电路,对电容器充电,在定子绕组中形成励磁电流,建立一个磁场,与转子感应电流相互作用,产生一个阻止转子旋转的制动转矩,使电动机迅速停车[3]

回馈制动

再生制动亦称反馈制动,是一种使用在电动车辆上的制动技术。在制动时把车辆的动能转化及储存起来;而不是变成无用的热。

再生制动是一种比较经济的制动方法,制动时不需要改变线路即可从电动运行状态自动的转入发电制动状态,把机械能转化为电能,在回馈到电网,节能效果明显。但存在应用范围过窄、仅当电机转速大于同步转速才能实现制动的缺点,所以常用于起重机和多速异步电动机由高速转为低速的情况。[1]

回馈制动原理图回馈制动原理图

以起重机为例,介绍其工作原理。

当起重机在高处开始下放重物时,电动机的转速n小于同步转速n1,这是电机处于电动运行状态。但由于重力的作用,在重物下放过程,会使电机的转速大于同步转速(即n>n1),这时电机处于发电制动状态,转子相对于旋转磁场切割磁感线的运动方向发生了改变,其转子电流和电磁转矩的的方向都与电动运行时相反。电磁力矩变为制动力矩,限制了重物的下降速度,保证了设备和人身安全。[1]

对于多速异步电动机,变速时如果电机由2极变为4极,定子旋转磁场的同步转速n1由3000r/min变为1500r/min,而转子由于惯性仍以原来的转速n(接近3000r/min)旋转,此时n>n1,电机处于发电制动状态。[1]

相关百科
返回顶部
产品求购 求购