平头螺钉

平头螺钉

中文名 平头螺钉
特点 螺钉本体的中心挖设一排屑槽
目录导航

概述

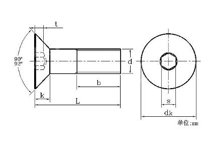
平头螺钉其具有一螺钉本体,该螺钉本体的轴面形成有轴向延伸的螺牙,并在其尾端部设有至少一割槽,该割槽上方的切槽口再往螺钉本体的中心挖设一排屑槽,该排屑槽深入于螺钉本体内部且超越其中心线一预定角度,提供避免切屑阻塞切槽口的作用。

槽形

十字槽[1],内六角,加减槽,梅花槽,一字槽等等

十字槽

主要标准有ISO 7046,JIS B 1111,QC 254,GB /T 819.1,GB 819,GB /T 13806.1,DIN 965.

十字槽平头螺钉十字槽平头螺钉

内六角

主要标准有ISO 10642,DIN 7991,GB /T 70.3,ASME/ANSI B 18.3.5M,BS 2470,JIS B 1194,UNI 5933,BS 4168,CNS 4558,NF E 25-146-2004等。

内六角平头螺钉内六角平头螺钉

梅花槽

主要标准有GB/T2674-2004,ISO 41584-2001,Q257

材质

行业叫A3钢,一种是低碳钢,另一种是中碳钢,在最后一种是高碳钢。

不锈钢

不锈钢SUS201,不锈钢SUS304,不锈钢SUS316等等

电镀方式

一般有两种,一种是电镀环保的,一种是电镀非环保的。

运用范围

主要用于机械设备,电气,电力,电器,交通,船舶,化工,水利等各行各业。

相关百科
返回顶部
产品求购 求购